概要
IPM23_MOS方案時隔1年再次相見,我們新品優化了產品性能,優化的產品成本架構,產線擴線產能保證。
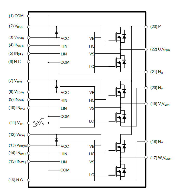
新發布的智能功率模塊采用芯能新一代自研驅動IC和MOSFET芯片,包含全功能驅動與高性能逆變輸出,為交流感應電機、BLDC無刷直流電流與PMSM永磁同步電機等高頻應用提供了更適配的選項。
IPM23_MOS新系列產品內部驅動集成了自舉電路、防直通互鎖、欠壓保護與溫度輸出功能,優化的高壓柵極驅動配合內集成快速恢復二極管的MOSFET,極大地改善產品工作EMI與開關損耗。產品封裝采用框架全塑封結構,模塊體積小、功能齊全、功率密度高、熱阻小,絕緣等級能滿足各種裝配場景需求。
目前產品的規格等級有3A/500V和5A/500V,型號為XNM50350ATS和XNM50550ATS。
1、內置高壓柵極驅動,配套芯片完全國產化
2、三相全橋逆變拓撲,適用于各類電機驅動場景
3、優化驅動與MOSFET開關,降低開關損耗與優化EMI特性
4、驅動集成自舉電路,內置限流保護電阻,集成度更高
5、內置欠壓保護、過流保護,互鎖及溫度輸出(VOT)
6、完全兼容3.3V和5V驅動輸入信號
7、絕緣電壓等級:1500Vac
解決問題
01
與主流產品完全兼容

02
集成多重保護功能
集成自舉電路、欠壓保護、防直通互鎖、溫度輸出功能
03
開關損耗小,適用高頻應用
電流等級可達5A,功率密度高、熱阻小



※產品具體信息可向我司銷售人員咨詢或索取產品規格書(service@invsemi.com)。